Продукция Макита от официального дилера
Задать вопрос
ruua
С 8:30 до 17:00,
сб., вс. – выходной
 0
года гарантииБесплатная доставка от 3000 грн.Различные варианты оплаты

MT430 Макита

Запчасти для модели MT430
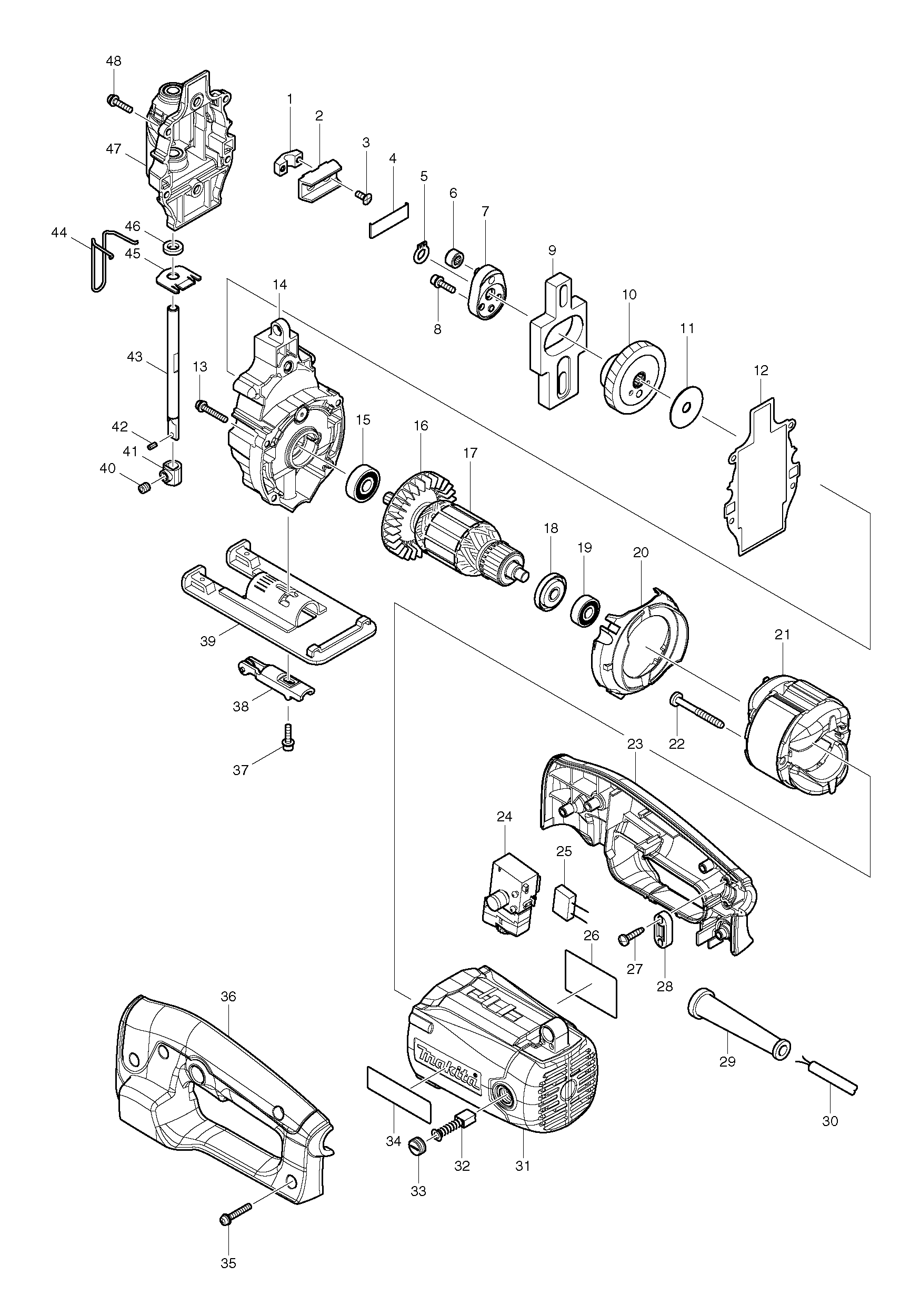
No.НазваниеКод деталиКод(старый)Цена
1Опора ползуна для MT430318371-4под заказВ КОРЗИНУ
2Ползун к MT430325600-8под заказВ КОРЗИНУ
3Винт с потайной головкой M4X10265035-019 грнВ КОРЗИНУ
4Пластина штока для MT430346057-0под заказВ КОРЗИНУ
5Стопорное кольцо S-8 к 4341CT/961004-610 грнВ КОРЗИНУ
6Подшипник 607212960-6под заказВ КОРЗИНУ
7CRANK PLATE COMPLETE158873-6под заказВ КОРЗИНУ
8Болт с внутр.шестигр.M4X14922122-5под заказВ КОРЗИНУ
9Балансир. пластина для MT430313161-0под заказВ КОРЗИНУ
10Косозубая шестерня 49158913-0под заказВ КОРЗИНУ
11Плоская шайба 8 MT430267402-5под заказВ КОРЗИНУ
12Прокладка для MT430442145-2под заказВ КОРЗИНУ
13Винт M6x25265101-310 грнВ КОРЗИНУ
14GEAR HOUSING COMPLETE158870-2под заказВ КОРЗИНУ
15Подшипник 629ZZ210063-094 грнВ КОРЗИНУ
16Крыльчатка 65 для MT430240118-7под заказВ КОРЗИНУ
18Ротор в сб. к MT430513784-6под заказВ КОРЗИНУ
19Изоляционная шайба для 9227CB/681644-119 грнВ КОРЗИНУ
20Подшипник 608ZZ210029-046 грнВ КОРЗИНУ
21Защита статора для MT430450933-3под заказВ КОРЗИНУ
22Cтатор в сбоpe для MT430594588-5под заказВ КОРЗИНУ
23Болт с внутр.шестигран. 5X45266466-610 грнВ КОРЗИНУ
24Рукоятка в сборе MT430188618-8под заказВ КОРЗИНУ
25Выключатель для MT430650616-7под заказВ КОРЗИНУ
26Коробка конденсатора MT360645240-921 грнВ КОРЗИНУ
27MT430 NAME PLATE866286-4под заказВ КОРЗИНУ
28Самонарезающий винт 4х18265995-6266326-25 грнВ КОРЗИНУ
29Держатель кабеля к 3709/MT360/687124-510 грнВ КОРЗИНУ
30Усилитель кабеля 8-85 к 3709/682502-4682569-226 грнВ КОРЗИНУ
31Кабель резиновый 1.0-2-2.0665383-1382 грнВ КОРЗИНУ
32Корпус двигателя в сб. MT430188669-1под заказВ КОРЗИНУ
33Угольные щетки CB-411191940-4136 грнВ КОРЗИНУ
34Колпачок щеткодерж.5-8 MT953/643987-919 грнВ КОРЗИНУ
35Этикетка с эмблемой Мактек819227-9под заказВ КОРЗИНУ
36Винт M6x25265101-310 грнВ КОРЗИНУ
37Рукоятка в сборе MT430188618-8под заказВ КОРЗИНУ
38Болт с внутр.шестигран. M4x16922128-312 грнВ КОРЗИНУ
39Опорный ролик пилки MT430158869-7под заказВ КОРЗИНУ
40Основание для MT430165555-3под заказВ КОРЗИНУ
41Винт M6X6 к MT430266338-5под заказВ КОРЗИНУ
42Пилкодержатель к MT430325601-6под заказВ КОРЗИНУ
43Пружинный штифт 3-6 6702D/258002-2под заказВ КОРЗИНУ
44Ползун для MT430168514-6под заказВ КОРЗИНУ
45SAFETY WIRE325602-4под заказВ КОРЗИНУ
46Пластина для модели MT430346031-8под заказВ КОРЗИНУ
47Полиуретановый сальник к MT430424175-5под заказВ КОРЗИНУ
48GEAR HOUSING COVER COMPLETE158871-0под заказВ КОРЗИНУ
49Винт M4X18265112-810 грнВ КОРЗИНУ
1001JIG SAW BLADE NO.51A-86561под заказВ КОРЗИНУ
1002Пилка для лобзиков № В13 5 шт.A-85656187 грнВ КОРЗИНУ
1003Ключ шестигранника 3 мм.783201-238 грнВ КОРЗИНУ
1004NOZZLE450977-3под заказВ КОРЗИНУ
1005Болт с внутр.шестигран. М4Х20922138-013 грнВ КОРЗИНУ
Фото MT430
Нажмите, чтобы увеличить