Продукция Макита от официального дилера
Задать вопрос
ruua
С 8:30 до 17:00,
сб., вс. – выходной
 0
года гарантииБесплатная доставка от 3000 грн.Различные варианты оплаты

MT900 Макита

Запчасти для модели MT900
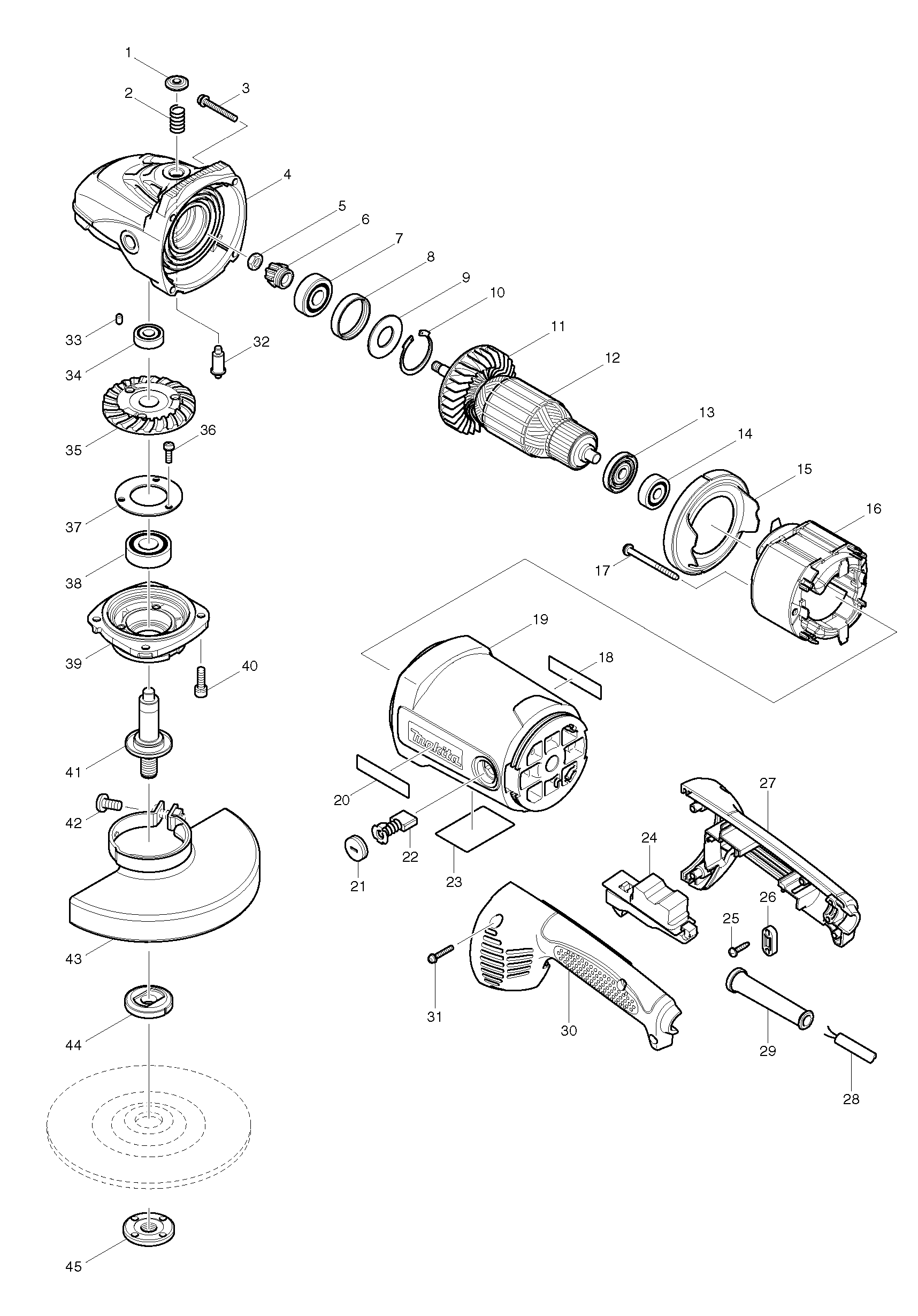
No.НазваниеКод деталиКод(старый)Цена
1Кнопка стопорного штифта419133-410 грнВ КОРЗИНУ
2Компрессионная пружина 12233292-819 грнВ КОРЗИНУ
3Винт M5x45265137-2под заказВ КОРЗИНУ
4Корпус редуктора MT900154679-0374 грнВ КОРЗИНУ
5Шестигранная гайка M8252194-910 грнВ КОРЗИНУ
6Коническая спирал. шестерня 16227488-1237 грнВ КОРЗИНУ
7BALL BEARING 6301ZZ210104-2210103-4под заказВ КОРЗИНУ
8Резиновое кольцо 38 9077/9079262085-621 грнВ КОРЗИНУ
9Плоская шайба 20 для GA7020/267299-242 грнВ КОРЗИНУ
10Стопорное кольцо R-42 HR3000C/257960-9962211-4под заказВ КОРЗИНУ
11Крыльчатка 80240081-4329 грнВ КОРЗИНУ
12Подшипник 6301DDW210104-2136 грнВ КОРЗИНУ
13Ротор в сборе 220-240516948-12548 грнВ КОРЗИНУ
14Изоляционная шайба для 9069S/681630-254 грнВ КОРЗИНУ
15Подшипник 6200ZZ210070-364 грнВ КОРЗИНУ
16Защита статора для GA7020/419135-026 грнВ КОРЗИНУ
17Cтатор в сбоpe для MT900596279-42184 грнВ КОРЗИНУ
18Винт 5X65 к MT900266352-110 грнВ КОРЗИНУ
19Этикетка с эмблемой Мактек819227-9под заказВ КОРЗИНУ
20Корпус двигателя в сборе188062-9под заказВ КОРЗИНУ
21Этикетка с эмблемой Мактек819227-9под заказВ КОРЗИНУ
22Колпачок щеткодержателя 7-18643700-532 грнВ КОРЗИНУ
23Угольные щетки CB-204 автооткл191957-7192 грнВ КОРЗИНУ
24MT900 NAME PLATE861768-1под заказВ КОРЗИНУ
25Выключатель для MT900651182-7под заказВ КОРЗИНУ
26Самонарезающий винт 4х18265995-6266326-25 грнВ КОРЗИНУ
27Держатель кабеля к 3709/MT360/687124-510 грнВ КОРЗИНУ
28Рукоятка в сборе MT900188016-6под заказВ КОРЗИНУ
29Кабель резиновый 1.00-2-2.0665852-2400 грнВ КОРЗИНУ
30Усилитель кабеля 9.3-90 2030/682540-632 грнВ КОРЗИНУ
31Рукоятка в сборе MT900188016-6под заказВ КОРЗИНУ
32Винт M6x25265101-310 грнВ КОРЗИНУ
33Шпилька 5256491-541 грнВ КОРЗИНУ
34Резиновая шпилька 4263002-910 грнВ КОРЗИНУ
35Подшипник 10/26210067-259 грнВ КОРЗИНУ
36Коническая спирал. шестерня 53227489-9581 грнВ КОРЗИНУ
37Винт М5x16265120-910 грнВ КОРЗИНУ
38Фиксатор подшипника 50 GA7020/285724-142 грнВ КОРЗИНУ
39Подшипник211285-5136 грнВ КОРЗИНУ
40Корпус подшипника для MT900318378-0под заказВ КОРЗИНУ
41Болт с внутр.шестигран.265541-513 грнВ КОРЗИНУ
42Шпиндель к MT900158209-9275 грнВ КОРЗИНУ
43Винт (+) M8X25265198-216 грнВ КОРЗИНУ
44Кожух диска в сборе122890-2под заказВ КОРЗИНУ
45Внутренний фланец224415-9125 грнВ КОРЗИНУ
46Кольцевая пружина 15233946-710 грнВ КОРЗИНУ
47Гайка прижимная 14-45224543-0153 грнВ КОРЗИНУ
48GEAR HOUSING COMPLETE142751-0под заказВ КОРЗИНУ
1001Боковая ручка 36152539-0222 грнВ КОРЗИНУ
1002Ключ зажимной гайки MA415197610-3782407-9190 грнВ КОРЗИНУ
Фото MT900
Нажмите, чтобы увеличить