Продукция Макита от официального дилера
Задать вопрос
ruua
С 8:30 до 17:00,
сб., вс. – выходной
 0
года гарантииБесплатная доставка от 3000 грн.Различные варианты оплаты

T1022D Макита

Запчасти для модели T1022D
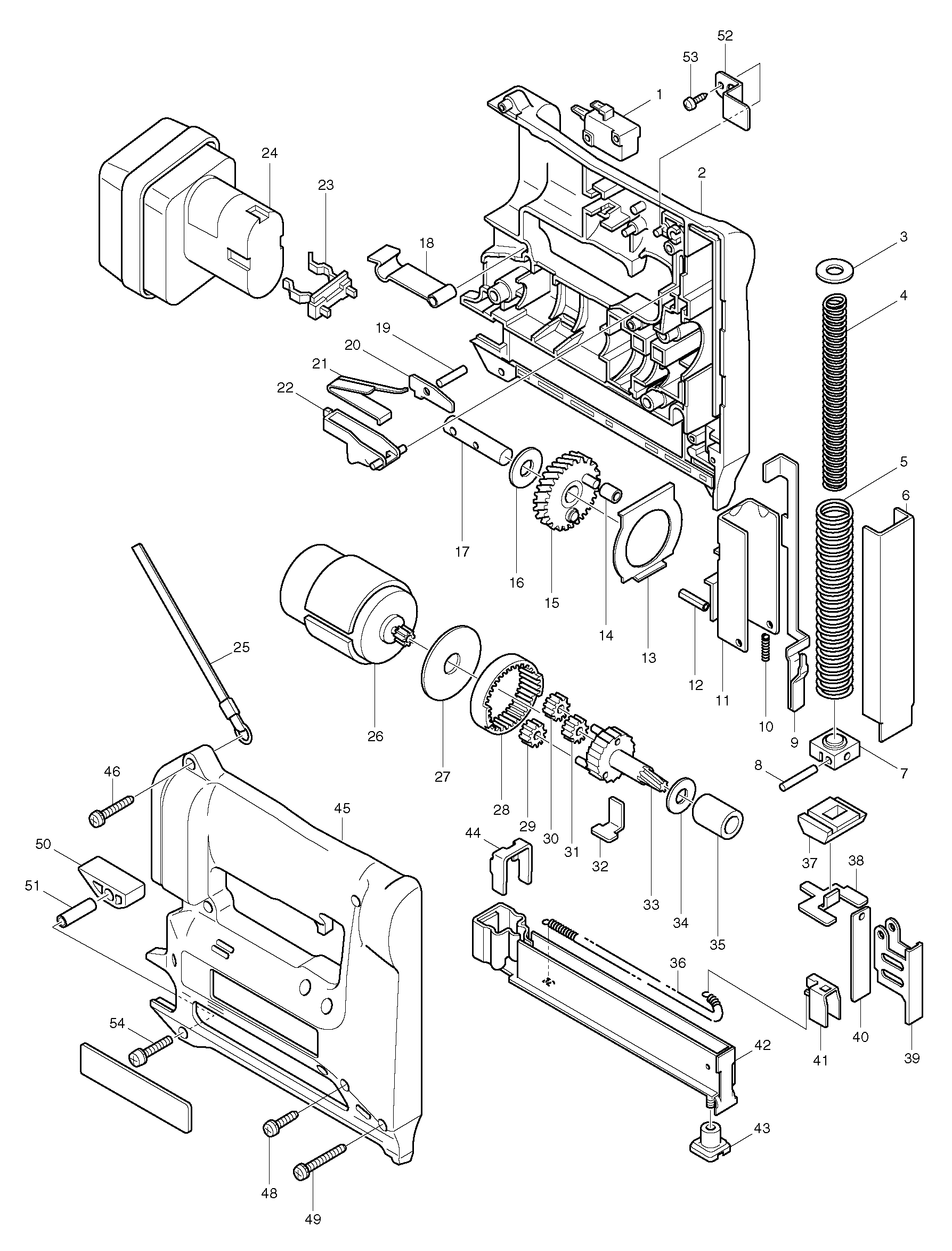
No.НазваниеКод деталиКод(старый)Цена
1Выключатель V-15-3A6 к T1022D/651891-8210 грнВ КОРЗИНУ
2HOUSING SET182566-3под заказВ КОРЗИНУ
3Плоская шайба 9253733-819 грнВ КОРЗИНУ
4Компрессионная пружина 9233003-1256 грнВ КОРЗИНУ
5Компрессионная пружина 13233004-9под заказВ КОРЗИНУ
6Направляющая пластина343630-7220 грнВ КОРЗИНУ
7деталь331382-21300 грнВ КОРЗИНУ
8Шпилька 4256206-019 грнВ КОРЗИНУ
9Предохранительный рычаг164961-9312 грнВ КОРЗИНУ
10Компрессионная пружина 3233002-319 грнВ КОРЗИНУ
11HAMMER343643-8под заказВ КОРЗИНУ
12Пружинный штифт 4-14 к T1022D/951107-410 грнВ КОРЗИНУ
13Пластина к модели T221D/T1022D343629-254 грнВ КОРЗИНУ
14Bтулка 4 для T1022D/T221D257639-2103 грнВ КОРЗИНУ
15Косозубая шестерня 53 с валом153203-61390 грнВ КОРЗИНУ
16Плоская шайба 10 1125/HR3000C/253171-419 грнВ КОРЗИНУ
17Шпилька 10256205-2295 грнВ КОРЗИНУ
18Защелка аккумулятора к 1050D/343579-1под заказВ КОРЗИНУ
19Шпилька 3256158-519 грнВ КОРЗИНУ
20Размык-щая пластина для T221D/343628-496 грнВ КОРЗИНУ
21Плоская пружина232107-6106 грнВ КОРЗИНУ
22Рычаг выключателя414549-864 грнВ КОРЗИНУ
23Контактный разъем для 1050D/643909-948 грнВ КОРЗИНУ
24Куб.аккумулятор 9.6В. 1.3Ач192638-6192019-4под заказВ КОРЗИНУ
25деталь163319-9под заказВ КОРЗИНУ
26Двигатель 9.6V T1022D/T221D629613-41356 грнВ КОРЗИНУ
27Плоская шайба 12267053-4под заказВ КОРЗИНУ
28Шестерня внутр. зацепления 69221999-8220 грнВ КОРЗИНУ
29Прямозубая шестерня 27221961-357 грнВ КОРЗИНУ
30Прямозубая шестерня 27221961-357 грнВ КОРЗИНУ
31Прямозубая шестерня 27221961-357 грнВ КОРЗИНУ
32Плоская пружина232108-451 грнВ КОРЗИНУ
33Косозубая шестерня 7 с валом153204-41651 грнВ КОРЗИНУ
34Плоская шайба 10253758-210 грнВ КОРЗИНУ
35Подшипник скольжения 10214058-595 грнВ КОРЗИНУ
36Натяжная пружина 4231786-7под заказВ КОРЗИНУ
37Опора к T1022D/T221D421358-8106 грнВ КОРЗИНУ
38Направляющая толкателя T221D/343632-3133 грнВ КОРЗИНУ
39деталь343634-9под заказВ КОРЗИНУ
40деталь343633-1под заказВ КОРЗИНУ
41Толкатель343631-5под заказВ КОРЗИНУ
42деталь168217-2под заказВ КОРЗИНУ
43Гайка M4252634-744 грнВ КОРЗИНУ
44деталь343635-783 грнВ КОРЗИНУ
45HOUSING SET182566-3под заказВ КОРЗИНУ
46Винт M4X22 к 6317D/6312BR/911143-210 грнВ КОРЗИНУ
47NAME PLATE T1022D856518-7под заказВ КОРЗИНУ
48Корпус T1022D182975-6под заказВ КОРЗИНУ
49Винт M4X14 для 1911B/1923H/911123-810 грнВ КОРЗИНУ
50Винт M4X30 к 1050D/1125/1901/911158-910 грнВ КОРЗИНУ
51деталь415045-966 грнВ КОРЗИНУ
52Bтулка 4 для T1022D/T221D257645-7210 грнВ КОРЗИНУ
53деталь343967-2под заказВ КОРЗИНУ
54Самонарезающий винт BT4X14265873-0под заказВ КОРЗИНУ
55Винт M4X25911148-25 грнВ КОРЗИНУ
56Винт M4X14 для 1911B/1923H/911123-810 грнВ КОРЗИНУ
57Ударник T221D. T422D165028-61853 грнВ КОРЗИНУ
58Корпус T1022D182975-6под заказВ КОРЗИНУ
1001Крышка аккумулятора для 1050D/414938-7под заказВ КОРЗИНУ
Фото T1022D
Нажмите, чтобы увеличить