Продукция Макита от официального дилера
Задать вопрос
ruua
С 8:30 до 17:00,
сб., вс. – выходной
 0
года гарантииБесплатная доставка от 3000 грн.Различные варианты оплаты

4304T Макита

Запчасти для модели 4304T
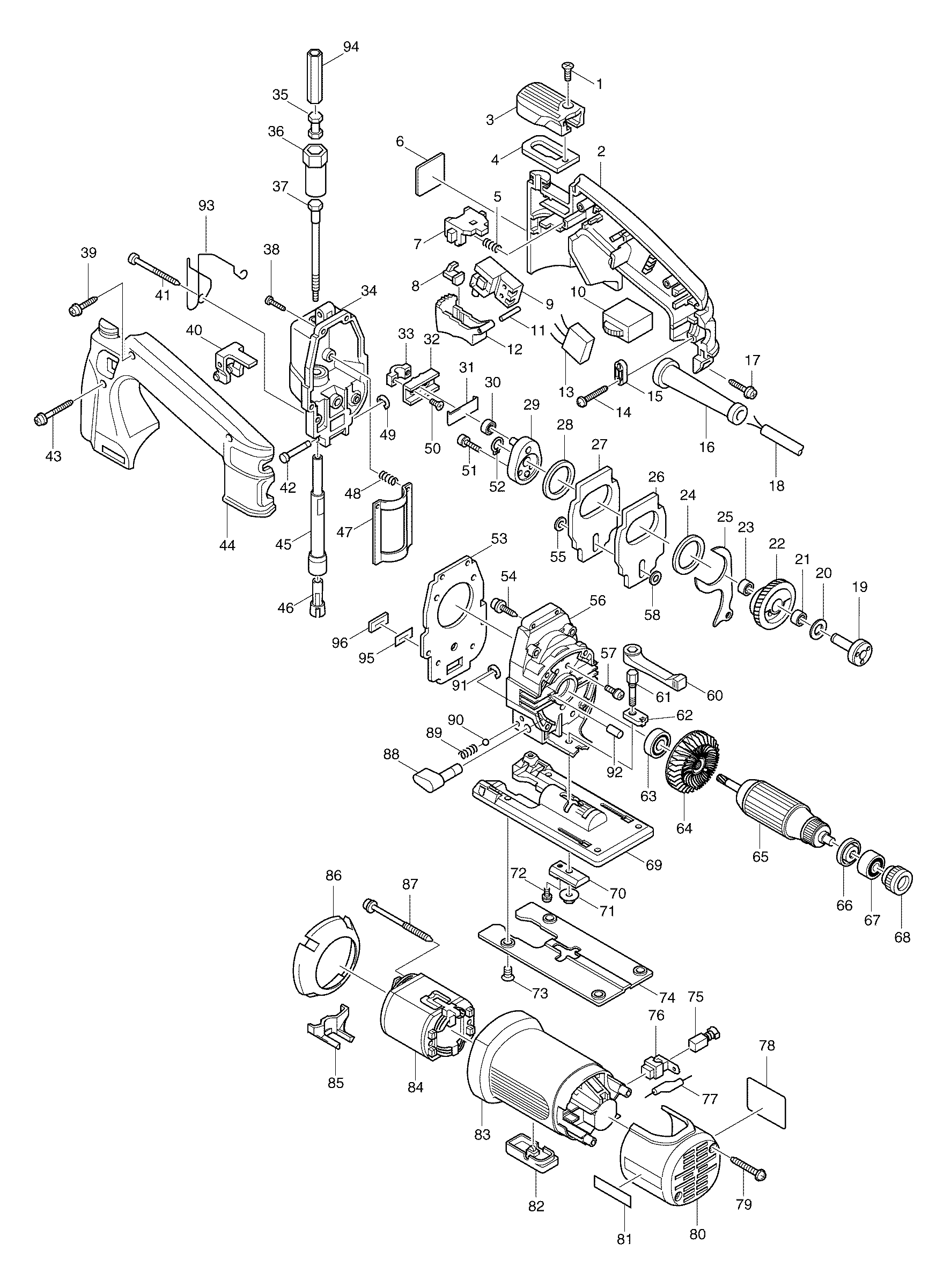
No.НазваниеКод деталиКод(старый)Цена
1Винт M4X8 к 4304T/5903R/5012B/911109-210 грнВ КОРЗИНУ
2Рукоятка 4304T182788-5257 грнВ КОРЗИНУ
3Рычаг 51 для 4304T/4334D415881-3под заказВ КОРЗИНУ
4Внутренний рычаг к 4304T/4334D344331-0119 грнВ КОРЗИНУ
5Компрессионная пружина 4233101-110 грнВ КОРЗИНУ
6Предупреждающая наклейка810835-9под заказВ КОРЗИНУ
7Рычаг фиксатора для 4304Т415880-5под заказВ КОРЗИНУ
8Прокладка для 4304/4304Т/8406C415159-4под заказВ КОРЗИНУ
9Выключатель TG71B к GA9010C/651922-3521 грнВ КОРЗИНУ
10Контроллер 200-240V 4305T/9911631202-3под заказВ КОРЗИНУ
11Шпилька 3256221-421 грнВ КОРЗИНУ
12Рычаг выключателя для JR3020/415158-679 грнВ КОРЗИНУ
13Фильтр помех для 4304/4304T645258-0под заказВ КОРЗИНУ
14Самонарез. винт. фланец PF4X18266121-0под заказВ КОРЗИНУ
15Зажим кабеля желтый (ME25)687063-921 грнВ КОРЗИНУ
16Усилитель кабеля 8-85 к 1806B/682502-454 грнВ КОРЗИНУ
17Самонарез. винт. фланец PF4X20266120-2под заказВ КОРЗИНУ
18Кабель пластиковый 1.00-2-2.5666066-6376 грнВ КОРЗИНУ
19Шпиндель для 4304/4305/4334D/322691-0696 грнВ КОРЗИНУ
20Плоская шайба 8 6824N/253139-019 грнВ КОРЗИНУ
21Игольчатый подшипник 810212043-252 грнВ КОРЗИНУ
22Косозубая шестерня 51226428-6982 грнВ КОРЗИНУ
23Игольчатый подшипник 810212043-252 грнВ КОРЗИНУ
24Плоская шайба 26253792-219 грнВ КОРЗИНУ
25Нажимная пластина для 4334D/344134-2138 грнВ КОРЗИНУ
26деталь344330-2344370-0под заказВ КОРЗИНУ
27деталь344330-2344370-0под заказВ КОРЗИНУ
28Плоская шайба 26253792-219 грнВ КОРЗИНУ
29Кривошип152454-8260 грнВ КОРЗИНУ
30Игольчатый подшипник 6/12212010-7446 грнВ КОРЗИНУ
31Пластина штока для 4304/4334D/344232-219 грнВ КОРЗИНУ
32Ползун для 4304T/4305T/4331D/310028-3490 грнВ КОРЗИНУ
33Держатель к 4304T/4305T/4331D/316608-3596 грнВ КОРЗИНУ
34Крышка корпуса редуктора 4304/159716-5под заказВ КОРЗИНУ
35Соединитель для модели 4304T322839-470 грнВ КОРЗИНУ
36Соединительная втулка415882-1под заказВ КОРЗИНУ
37Винт штока к 4304T/4305T/4334D322826-3222 грнВ КОРЗИНУ
38Самонарезающий винт CT4X16266034-510 грнВ КОРЗИНУ
39Самонарез. винт. фланец PF4X20266120-2под заказВ КОРЗИНУ
40Опорный ролик пилки152947-5151426-0под заказВ КОРЗИНУ
41Самонарез. винт. фланец PF266147-2266115-5под заказВ КОРЗИНУ
42Шпилькa 4256693-3под заказВ КОРЗИНУ
43Самонарезающий винт. фланец PF266053-1266117-1под заказВ КОРЗИНУ
44Рукоятка 4304T182788-5257 грнВ КОРЗИНУ
45Шток пилкодержателя 4304Т/05Т168282-1914 грнВ КОРЗИНУ
46Пилкодержатель к 4305T/4334D/310005-5550 грнВ КОРЗИНУ
47Пластина скольжения для 4334D/344137-673 грнВ КОРЗИНУ
48Компрессионная пружина 4233151-619 грнВ КОРЗИНУ
49Стопорное кольцо E-3 к HR2450/961017-710 грнВ КОРЗИНУ
50Винт с потайной головкой M4X10265035-019 грнВ КОРЗИНУ
51Болт с внутр.шестигран. M4X16922126-719 грнВ КОРЗИНУ
52Стопорное кольцо S-8 к 4341CT/961004-610 грнВ КОРЗИНУ
53Прокладка для 4304/4304T/4305T442123-2442119-3под заказВ КОРЗИНУ
54Самонарез. винт. фланец PF4X20266120-2под заказВ КОРЗИНУ
55Плоская шайба 6253715-046 грнВ КОРЗИНУ
56Корпус редуктора в сборе 4305T151595-7159852-7под заказВ КОРЗИНУ
57Винт M4X10911111-510 грнВ КОРЗИНУ
58Плоская шайба 6253715-046 грнВ КОРЗИНУ
59Корпус редуктора в сборе 4305Т151595-72438 грнВ КОРЗИНУ
60Рычаг 65 для 4304Т/4305Т/4334D272232-1под заказВ КОРЗИНУ
61Болт (Л) с шестигран.гол.M5X24265434-6118 грнВ КОРЗИНУ
62Гайка M6 для 4304Т/4305Т/4334D344332-871 грнВ КОРЗИНУ
63Подшипник 608LLB211031-696 грнВ КОРЗИНУ
64Крыльчатка 54 к JN1601/9524NB241875-075 грнВ КОРЗИНУ
65Pотор в сб. к 4305T/4304/4305/517098-52647 грнВ КОРЗИНУ
66Изоляционная шайба для HR2450/681636-043 грнВ КОРЗИНУ
67Подшипник 607LLB211021-9109 грнВ КОРЗИНУ
68Резиновое кольцо 19 к HR2450/421494-0130 грнВ КОРЗИНУ
69Основание к 4304Т/4305Т/4334D316777-01069 грнВ КОРЗИНУ
70Зажимная планка к 4304T/4305T/344333-6под заказВ КОРЗИНУ
71Шестигр. гайка фланец252142-8230 грнВ КОРЗИНУ
72Винт M4X8 к 4304T/5903R/5012B/911109-210 грнВ КОРЗИНУ
73Потайной винт M5X8 для 4110C/912202-510 грнВ КОРЗИНУ
74Основание (металл) MA002 4305T344443-9650 грнВ КОРЗИНУ
75Угольные щетки CB-419191962-4125 грнВ КОРЗИНУ
76Щеткодержатель для HR2430/643923-543 грнВ КОРЗИНУ
77Конденсатор CH9-5 к 4304/6408/646067-042 грнВ КОРЗИНУ
78NAME PLATE 4304T858235-5под заказВ КОРЗИНУ
79TAPPING SCREW FLANGE PF 4X30266118-9под заказВ КОРЗИНУ
80Задняя крышка для 4304/4304Т415532-8под заказВ КОРЗИНУ
81Этикетка с эмблемой 11X43819080-3174 грнВ КОРЗИНУ
82Колпачок (ME43) для 4304/4304Т415538-6под заказВ КОРЗИНУ
83Корпус мотора для 4304Т/4305T/415748-5под заказВ КОРЗИНУ
84Cтатор 230В к 4305T/4305/4304/633288-31078 грнВ КОРЗИНУ
85Воздушная крышка ME83 к 4334D/415879-0под заказВ КОРЗИНУ
86Защита статора для 4304T/4334D415878-2под заказВ КОРЗИНУ
87Самонарез. винт, фланец PT4X60266114-7под заказВ КОРЗИНУ
88Рычаг 17 для 4304/4305/4334D272231-3под заказВ КОРЗИНУ
89Компрессионная пружина 4233151-619 грнВ КОРЗИНУ
90Стальной шарик 4216008-610 грнВ КОРЗИНУ
91Стопорное кольцо E-5 к LS1013/961018-510 грнВ КОРЗИНУ
92Резиновая шпилька 4263002-910 грнВ КОРЗИНУ
93Проволочный защит. упор 4334D/322893-885 грнВ КОРЗИНУ
94Шестигранная втулка для 4304T/344537-029 грнВ КОРЗИНУ
95Пластина сальника к 4304/4305/344784-310 грнВ КОРЗИНУ
96Фетровая прокладка 10-20443106-510 грнВ КОРЗИНУ
97Самонарез. винт. фланец PT4X60266052-321 грнВ КОРЗИНУ
98Самонарез. винт. фланец PT4X30266050-719 грнВ КОРЗИНУ
99Крыльчатка 54 для 4305T/4304T240039-3под заказВ КОРЗИНУ
100Самонарез. винт. фланец PT4X20266045-019 грнВ КОРЗИНУ
101Прокладка для 4304/4304Т/4305/442123-286 грнВ КОРЗИНУ
102Самонарез. винт. фланец PT4X35266351-3266053-1под заказВ КОРЗИНУ
103Самонарез. винт. фланец PF4X55266147-228 грнВ КОРЗИНУ
104Опорный ролик пилки 4304D(мет)152947-5680 грнВ КОРЗИНУ
105Самонарез. винт. фланец PT4X20266045-019 грнВ КОРЗИНУ
106Соединительная втулка416351-526 грнВ КОРЗИНУ
107Крышка корпуса редуктора 4305T153389-6151596-5под заказВ КОРЗИНУ
108Корпус редуктора в сб. 4334D/153389-62798 грнВ КОРЗИНУ
109Балансир. пластина для 4304/344330-2291 грнВ КОРЗИНУ
110Балансир. пластина для 4304/344330-2291 грнВ КОРЗИНУ
111Самонарез. винт. фланец PT4X20266045-019 грнВ КОРЗИНУ
112Самонарезающий винт 4X18265995-610 грнВ КОРЗИНУ
113Фильтр помех для 4304/4304T645145-3под заказВ КОРЗИНУ
114Контроллер к 4305T/9911/4305/631678-4943 грнВ КОРЗИНУ
115Рычаг 51 для 4304T/4334D416370-1102 грнВ КОРЗИНУ
116Потайной винт M4X6 4304T/4305D912102-95 грнВ КОРЗИНУ
1001Основание (пластик) МЕ42 4304/413068-190 грнВ КОРЗИНУ
1002Пылеотражатель для 4304/4305T/415887-1под заказВ КОРЗИНУ
1003Противоскольная пластина для л415524-751 грнВ КОРЗИНУ
1004Пилка узкая 5 шт.х50 мм.х В-22A-85737792522-1250 грнВ КОРЗИНУ
1005Пилка для лобзика 80 мм. В-10A-85628792538-6281 грнВ КОРЗИНУ
1006Пилка для лобзика 65 мм.A-85793A-02294180 грнВ КОРЗИНУ
1007PLASTIC CARRYING CASE824536-3под заказВ КОРЗИНУ
1008Пластиковый чемодан для 4304824662-8под заказВ КОРЗИНУ
1009Пластиковый чемодан для 4304/824809-4904 грнВ КОРЗИНУ
1010Пилка для лобзиков № BR13 5шт.A-85793180 грнВ КОРЗИНУ
1011Пилка для лобзиков № В10 5 шт.A-85628281 грнВ КОРЗИНУ
1012Пилка для лобзиков № В22 5 шт.A-85737250 грнВ КОРЗИНУ
5001Переходник к пылесосу 4304/Т/192547-9144 грнВ КОРЗИНУ
Фото 4304T
Нажмите, чтобы увеличить