Продукция Макита от официального дилера
Задать вопрос
ruua
С 8:30 до 17:00,
сб., вс. – выходной
 0
года гарантииБесплатная доставка от 3000 грн.Различные варианты оплаты

7104L Макита

Запчасти для модели 7104L
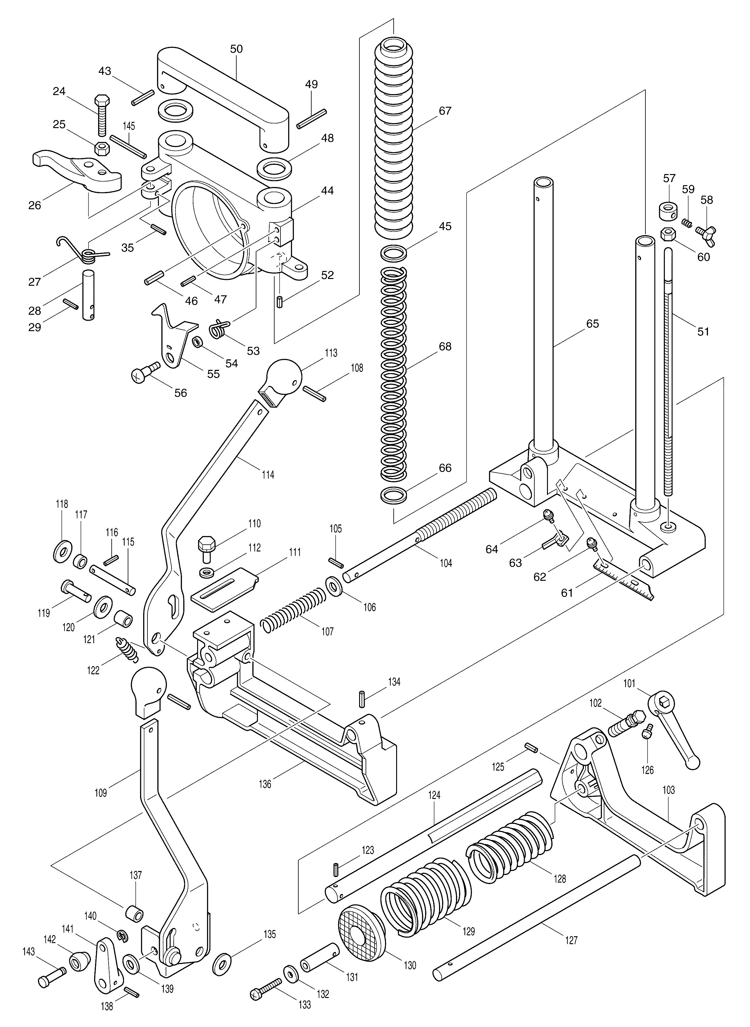
No.НазваниеКод деталиКод(старый)Цена
1Сетевой кабель 1.00-3-5.0666365-6под заказВ КОРЗИНУ
2Усилитель кабеля 8-90 к 9029S/682540-6682503-2под заказВ КОРЗИНУ
4Маркировочная пластина 7104L856822-4под заказВ КОРЗИНУ
5Держатель кабеля для BO4550/687031-2687001-1под заказВ КОРЗИНУ
6Винт M4X8652014-15 грнВ КОРЗИНУ
7Самонарезающий винт 4x18265995-610 грнВ КОРЗИНУ
9Винт M5X18 к 9069S/9047/9067/911226-810 грнВ КОРЗИНУ
12Выключатель TG71CL-2651057-0341570-31057 грнВ КОРЗИНУ
13Фильтр помех645261-1под заказВ КОРЗИНУ
14Корпус редуктора157044-2под заказВ КОРЗИНУ
15Корпус двигателя для 7104L154627-9156655-05555 грнВ КОРЗИНУ
16Изоляционная шайба681002-1под заказВ КОРЗИНУ
17Угольные щетки CB-153181044-0115 грнВ КОРЗИНУ
18Колпачок щеткодерж-ля 6.5-13.5643650-421 грнВ КОРЗИНУ
19Винт M5X18 к 9069S/9047/9067/911226-810 грнВ КОРЗИНУ
20Боковая ручка 25 для PC1100/273416-4580 грнВ КОРЗИНУ
21Держатель ручки (левый)341571-1под заказВ КОРЗИНУ
22Винт M5X10 к 4110C/1805B/3620/911206-410 грнВ КОРЗИНУ
23Пружина 20231747-7под заказВ КОРЗИНУ
24Болт М8Х44265254-8под заказВ КОРЗИНУ
25Гайка М8931402-843 грнВ КОРЗИНУ
26Рычаг C для 7104L331162-6под заказВ КОРЗИНУ
27Торсионная пружина 12231551-416 грнВ КОРЗИНУ
28Штифт 10256114-5под заказВ КОРЗИНУ
29Пружинный штифт 4-20951116-310 грнВ КОРЗИНУ
30Защитный кожух цепи154397-0341746-2под заказВ КОРЗИНУ
31Болт с шестигранной головк.M10265253-0под заказВ КОРЗИНУ
32Стопорное кольцо 10942253-413 грнВ КОРЗИНУ
33Плоская шайба 10 к HM1304/2106941252-310 грнВ КОРЗИНУ
34Bинт M8x28251852-4под заказВ КОРЗИНУ
35Пружинный штифт 4-20 951116-3под заказВ КОРЗИНУ
36Болт с шестигранной гол. M8X44265254-8под заказВ КОРЗИНУ
37Шестигранная гайка M8 HR5001C/931402-843 грнВ КОРЗИНУ
38Плоская пружина232068-0под заказВ КОРЗИНУ
39Винт M4X8 к 4304T/5903R/5012B/911109-210 грнВ КОРЗИНУ
40Винт M5X80 для модели 7104L911908-227 грнВ КОРЗИНУ
41Болт с шестигранной гол. M5X16921222-8под заказВ КОРЗИНУ
42Шестигранная гайка M5 HR2430/931202-610 грнВ КОРЗИНУ
43Пружинный штифт 5-32951172-319 грнВ КОРЗИНУ
44Передний корпус для 7104L310568-1под заказВ КОРЗИНУ
45Плоская шайба 24253042-5под заказВ КОРЗИНУ
46Пружинный штифт 6-24951213-5под заказВ КОРЗИНУ
47Пружинный штифт 4-20951116-310 грнВ КОРЗИНУ
48Резиновая шайба 24261022-7под заказВ КОРЗИНУ
49Пружинный штифт 5-45951181-219 грнВ КОРЗИНУ
50Ручка для переноски315344-8под заказВ КОРЗИНУ
51Стержень глубины для 7104L325057-3под заказВ КОРЗИНУ
52Пружинный штифт 5-12951151-119 грнВ КОРЗИНУ
53 Торсионная пружина 13231543-3под заказВ КОРЗИНУ
54Кольцо 8257005-3под заказВ КОРЗИНУ
55Зажим для 7104L341585-0под заказВ КОРЗИНУ
56Винт с полукруглой головкой M6251215-4194 грнВ КОРЗИНУ
57Гайка М10-20252409-4под заказВ КОРЗИНУ
58Болт M6X15924316-8под заказВ КОРЗИНУ
59Компрессионная пружина 7231005-1под заказВ КОРЗИНУ
60Гайка М8931402-843 грнВ КОРЗИНУ
61Пластина индикатора для 7104L816045-6395 грнВ КОРЗИНУ
62Винт с цилиндрической головкой M4X8911109-210 грнВ КОРЗИНУ
63Индикаторная деталь для 7104L341588-4под заказВ КОРЗИНУ
64Винт с цилиндрической головкой M4X8911109-210 грнВ КОРЗИНУ
65Базовая плита для 7104L142198-8под заказВ КОРЗИНУ
66Плоская шайба 24253042-5под заказВ КОРЗИНУ
67Защита пружины для 7140L411723-973 грнВ КОРЗИНУ
68Компрессионная пружина 25 231289-1под заказВ КОРЗИНУ
69Диск341745-4под заказВ КОРЗИНУ
70Пружинный штифт 6-24 2030951213-5под заказВ КОРЗИНУ
71Корпус аппарата 7104L311528-6под заказВ КОРЗИНУ
72Штифт 5-40951178-119 грнВ КОРЗИНУ
73Цепь 16,5 мм для 7104LA-16570под заказВ КОРЗИНУ
74Втулка для 7104L325330-1под заказВ КОРЗИНУ
75Стержень цепи F/15-2133571-313223 грнВ КОРЗИНУ
76Подшипник 1008LL211076-4под заказВ КОРЗИНУ
77Зубчатая контровочная шайба 6943152-3под заказВ КОРЗИНУ
78Винт+ с потайной головкойM6X12251258-6под заказВ КОРЗИНУ
79Подшипник 6201LLB211106-1139 грнВ КОРЗИНУ
80Пыльник 12213102-543 грнВ КОРЗИНУ
81Крыльчатка 92 SR2100/4157КВ241513-4под заказВ КОРЗИНУ
82Pотор в сборе 220V514613-64788 грнВ КОРЗИНУ
83Пыльник 10213051-634 грнВ КОРЗИНУ
84Подшипник 10/30211066-7150 грнВ КОРЗИНУ
86Cтатор в сборе 220V524568-7под заказВ КОРЗИНУ
87Сегментная шпонка 4254001-219 грнВ КОРЗИНУ
88Винт M5X75911300-237 грнВ КОРЗИНУ
89Резиновая шпилька 4263002-910 грнВ КОРЗИНУ
90Резиновая шпилька 6263005-310 грнВ КОРЗИНУ
91Шестигранная гайка M10931502-426 грнВ КОРЗИНУ
92Стопорное кольцо 10942253-413 грнВ КОРЗИНУ
93Плоская шайба 10 к HM1304/2106941252-310 грнВ КОРЗИНУ
94Kольцо 15257017-6под заказВ КОРЗИНУ
95Звездочка 4221501-7900 грнВ КОРЗИНУ
96Подшипник 6304LLB211311-0под заказВ КОРЗИНУ
97Шпиндель321373-1под заказВ КОРЗИНУ
98Косозубая шестерня 47221671-24429 грнВ КОРЗИНУ
99Плоская шайба 10253197-610 грнВ КОРЗИНУ
100Игольчатый подшипник 1015212066-0под заказВ КОРЗИНУ
101Рычаг 98 для 7104L133014-5490 грнВ КОРЗИНУ
102Болт M12X34265235-2под заказВ КОРЗИНУ
103Боковой упор для 7104L315342-2под заказВ КОРЗИНУ
104Винт М14321380-4под заказВ КОРЗИНУ
105Пружинный штифт 4-20951116-310 грнВ КОРЗИНУ
106Плоская шайба 10253180-319 грнВ КОРЗИНУ
107Компрессионная пружина 10231287-5под заказВ КОРЗИНУ
108Пружинный штифт 5-32951172-319 грнВ КОРЗИНУ
109Рычаг B для 7104L154282-7под заказВ КОРЗИНУ
110Болт M8X16921421-2под заказВ КОРЗИНУ
111Стопорная пластина для 7104L341587-6под заказВ КОРЗИНУ
112Плоская шайба 8941201-010 грнВ КОРЗИНУ
113Ручка 40 для 7104L271610-2под заказВ КОРЗИНУ
114Зажимной рычаг для 7104L341569-8под заказВ КОРЗИНУ
115Штифт 9 256106-4под заказВ КОРЗИНУ
116Пружинный штифт 4-20951116-310 грнВ КОРЗИНУ
117Кольцо 9257075-2под заказВ КОРЗИНУ
118Плоская шайба 9253808-317 грнВ КОРЗИНУ
119Штифт 9256623-4под заказВ КОРЗИНУ
120Плоская шайба 9253808-317 грнВ КОРЗИНУ
121Втулка 9257561-3под заказВ КОРЗИНУ
122Пружина растяжения 9231746-9под заказВ КОРЗИНУ
123Пружинный штифт 4-16951110-510 грнВ КОРЗИНУ
124Направляющая шина скольжения для 7104L321381-2под заказВ КОРЗИНУ
125Пружинный штифт 5-20951163-419 грнВ КОРЗИНУ
126Винт с цилиндрической головкой M5X10911207-210 грнВ КОРЗИНУ
127Упорная шина для 7104L321382-0под заказВ КОРЗИНУ
128Компрессионная пружина 36231286-7под заказВ КОРЗИНУ
129Компрессионная пружина 48231285-9под заказВ КОРЗИНУ
130Тиски для 7104L315216-7под заказВ КОРЗИНУ
131Штифт тисков для 7104L321232-9под заказВ КОРЗИНУ
132Плоская шайба 6253011-610 грнВ КОРЗИНУ
133Винт с цилиндрической головкой M6X35911356-5под заказВ КОРЗИНУ
134Пружинный штифт 5-24951166-819 грнВ КОРЗИНУ
135Плоская шайба 9253808-317 грнВ КОРЗИНУ
136Упор плиты, передняя часть для 7104L319053-1под заказВ КОРЗИНУ
137Втулка 9257562-1под заказВ КОРЗИНУ
138Пружинный штифт 4-20951116-310 грнВ КОРЗИНУ
139Плоская шайба 10253180-319 грнВ КОРЗИНУ
140Стопорное кольцо E-6961012-710 грнВ КОРЗИНУ
141Ручка для 7104L133201-6под заказВ КОРЗИНУ
142Ручка 20271607-1под заказВ КОРЗИНУ
143Штифт 40 старая модель256614-536 грнВ КОРЗИНУ
145Штифт 5-50951184-619 грнВ КОРЗИНУ
146Держатель 7104L345600-2под заказВ КОРЗИНУ
147Ручка419064-71354 грнВ КОРЗИНУ
148Крышка ручки419065-51159 грнВ КОРЗИНУ
149Линейная катушка646346-61682 грнВ КОРЗИНУ
150Контактная колодка654571-568 грнВ КОРЗИНУ
151Самонарезающий винт 4х14266192-719 грнВ КОРЗИНУ
152Самонарезающий винт 4x18265995-610 грнВ КОРЗИНУ
153Винт с внутренним шестигранником M5x14 AN923/94922217-419 грнВ КОРЗИНУ
401Барашковая гайка M8934401-9под заказВ КОРЗИНУ
402Плоская шайба 8 к LS1013/4131/941201-010 грнВ КОРЗИНУ
403деталь123028-2под заказВ КОРЗИНУ
404Болт M8X25921445-8под заказВ КОРЗИНУ
405деталь182229-1под заказВ КОРЗИНУ
406Выпускная труба242012-9под заказВ КОРЗИНУ
407Гаечный ключ 13-17 для 5500S781204-0под заказВ КОРЗИНУ
Перейти на товар
Фото 7104L
Нажмите, чтобы увеличить