Продукция Макита от официального дилера
Задать вопрос
ruua
С 8:30 до 17:00,
сб., вс. – выходной
 0
года гарантииБесплатная доставка от 3000 грн.Различные варианты оплаты

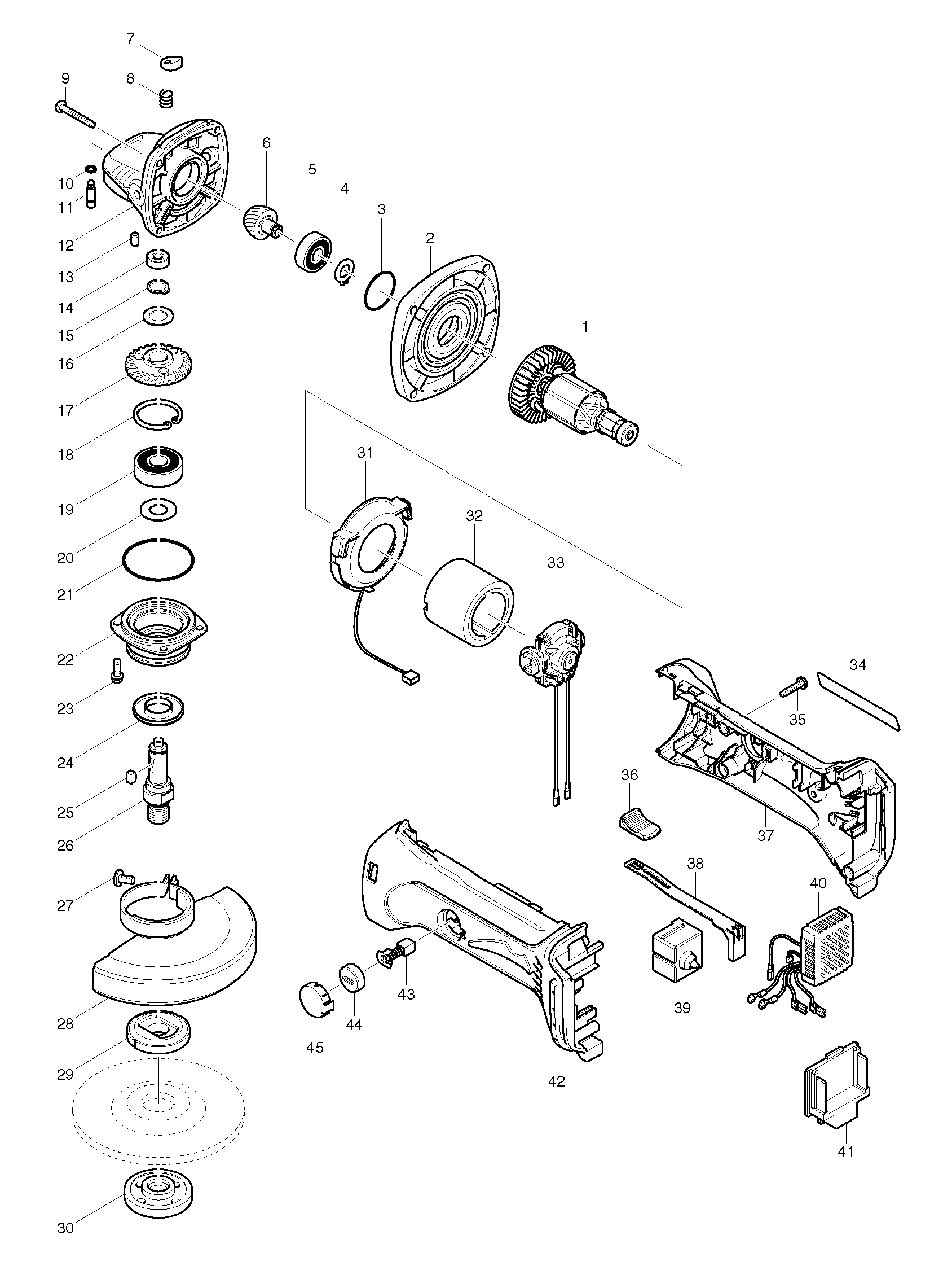
BGA452 Макита

Запчасти для модели BGA452
No.НазваниеКод деталиКод(старый)Цена
1ARMATURE619218-8510091-8под заказВ КОРЗИНУ
2Корпус редуктора для 9558NB/317821-6147 грнВ КОРЗИНУ
3O-Кольцо 26 для MT950213445-519 грнВ КОРЗИНУ
4Стопорное кольцо S-9 к 9069S/961005-410 грнВ КОРЗИНУ
5Подшипник 629210042-8108 грнВ КОРЗИНУ
6Косозуб.конич. шестерня 19227501-5578 грнВ КОРЗИНУ
7Кнопка стопорного штифта MT953417771-610 грнВ КОРЗИНУ
8Компрессионная пружина 8233072-210 грнВ КОРЗИНУ
9Самонарез. винт. фланец PT4X30266050-719 грнВ КОРЗИНУ
10О-Кольцо 5213960-910 грнВ КОРЗИНУ
11Шпилька 4256496-548 грнВ КОРЗИНУ
12Корпус редуктора для BGA452/318051-2307 грнВ КОРЗИНУ
13Резиновая шпилька 4263002-910 грнВ КОРЗИНУ
14Шариковый подшипник 6/15210033-967 грнВ КОРЗИНУ
15Стопорное кольцо S-12 9555NB/961052-510 грнВ КОРЗИНУ
16Плоская шайба 12253744-319 грнВ КОРЗИНУ
17Косозуб.конич. шестерня 11227502-3346 грнВ КОРЗИНУ
18Стопорное кольцо R-32 9555NB/962151-619 грнВ КОРЗИНУ
19Подшипник 12/32211129-9209 грнВ КОРЗИНУ
20Плоская шайба 12 для MT953/267238-210 грнВ КОРЗИНУ
21О-кольцо 45213622-913 грнВ КОРЗИНУ
22Корпус подшипника для 9555NB/318331-6317819-3под заказВ КОРЗИНУ
23Винт M4X14 для 9522NB/1100/911121-210 грнВ КОРЗИНУ
24Лабиринтное кольцо для 9555NB/345464-419 грнВ КОРЗИНУ
25Сегментная шпонка 4254011-919 грнВ КОРЗИНУ
26Шпиндель для 9554NB/9555NB/324489-1220 грнВ КОРЗИНУ
27Винт M5X14265103-9под заказВ КОРЗИНУ
28Защитный кожух122886-3125267-0под заказВ КОРЗИНУ
29Внутренний фланец 42224298-7под заказВ КОРЗИНУ
30Гайка прижимная 14-45224554-5136 грнВ КОРЗИНУ
31Светодиод для BGA452(CONT)/631714-6382 грнВ КОРЗИНУ
32Обойма с магнитами638376-1под заказВ КОРЗИНУ
33Держатель угольных щеток638448-2176 грнВ КОРЗИНУ
34BGA452 NAME PLATE862598-3под заказВ КОРЗИНУ
35Самонарезающий винт 4X18265995-610 грнВ КОРЗИНУ
36Кнопка выключателя для 9555NB/419566-310 грнВ КОРЗИНУ
37Корпус188704-5188106-5под заказВ КОРЗИНУ
38Рычаг выключателя для BGD800419519-243 грнВ КОРЗИНУ
39Выключатель к BGA452/BGA450650579-7258 грнВ КОРЗИНУ
40Контроллер для BGA452(CONT)620072-5631713-81229 грнВ КОРЗИНУ
41Клемовая колодка для BDF450/643838-6643812-4под заказВ КОРЗИНУ
42Корпус188704-5188106-5под заказВ КОРЗИНУ
43Угольные щетки CB-430191971-3132 грнВ КОРЗИНУ
44Колпачок щеткодержателя 8443D/643954-443 грнВ КОРЗИНУ
45Держатель пластины для BGA452/419518-421 грнВ КОРЗИНУ
46Корпус к BGA452188704-5под заказВ КОРЗИНУ
47Корпус в сборе188761-3903 грнВ КОРЗИНУ
48HOUSING SET187843-8923 грнВ КОРЗИНУ
49Контактный разъем для BGS800643838-6116 грнВ КОРЗИНУ
50TERMINAL644808-8176 грнВ КОРЗИНУ
51Контроллер620072-5под заказВ КОРЗИНУ
52CONTROLLER620243-42413 грнВ КОРЗИНУ
53Корпус к BGA452188704-5под заказВ КОРЗИНУ
54Корпус в сборе188761-3903 грнВ КОРЗИНУ
55HOUSING SET187843-8923 грнВ КОРЗИНУ
56Самонарезающий винт 4х18265995-6266326-25 грнВ КОРЗИНУ
57Щеточный узел в сборе638921-2219 грнВ КОРЗИНУ
58Обойма с магнитами для BGD800638627-21739 грнВ КОРЗИНУ
59Внутренний фланец224415-9125 грнВ КОРЗИНУ
60Защитный кожух диска122886-3245 грнВ КОРЗИНУ
61WHEEL COVER 115AK ASS'Y123098-1371 грнВ КОРЗИНУ
62Винт M5X16265180-113 грнВ КОРЗИНУ
63Шпиндель для 9554NB/9555NB/324489-1220 грнВ КОРЗИНУ
64Корпус подшипника318331-6136 грнВ КОРЗИНУ
65Самонарезающий винт 4X30266361-010 грнВ КОРЗИНУ
66Ротор в сб. для BGA452619218-8971 грнВ КОРЗИНУ
1001Боковая ручка 36 для MT953153489-2108 грнВ КОРЗИНУ
1002Ключ зажимной гайки 35 9558NB/782423-1136 грнВ КОРЗИНУ
1003DC18RA FAST CHARGER***DC18RAпод заказВ КОРЗИНУ
1004Аккумулятор193533-3194204-5под заказВ КОРЗИНУ
1005Пласт.кейс для ушм BGA Li-ion824767-41355 грнВ КОРЗИНУ
1006Кейс BGA452141257-5под заказВ КОРЗИНУ
1007Вкладка Makpac тип 3 - BGA452837632-8под заказВ КОРЗИНУ
1008DC18RA FAST CHARGER***DC18RCпод заказВ КОРЗИНУ
1009Крышка аккумулятора для BTM40450128-836 грнВ КОРЗИНУ
5003SAFETY INSTRUCTION LABEL805459-4под заказВ КОРЗИНУ
Фото BGA452
Нажмите, чтобы увеличить