Продукция Макита от официального дилера
Задать вопрос
ruua
С 8:30 до 17:00,
сб., вс. – выходной
 0
года гарантииБесплатная доставка от 3000 грн.Различные варианты оплаты

LS0810 Макита

Запчасти для модели LS0810
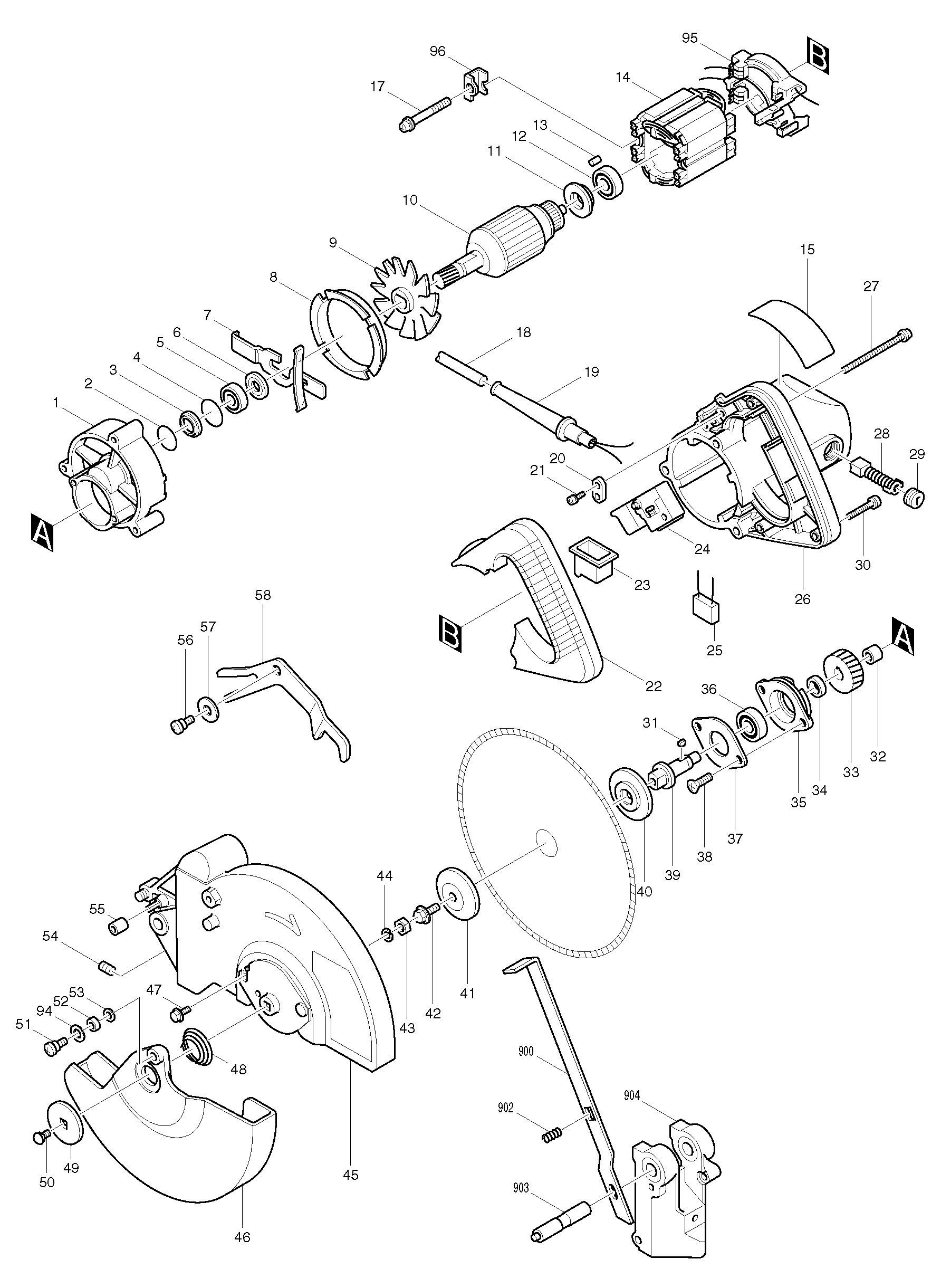
No.НазваниеКод деталиКод(старый)Цена
1Корпус редуктора157402-2под заказВ КОРЗИНУ
2О-кольцо 26 резиновое213407-319 грнВ КОРЗИНУ
3Шайба 23343318-9под заказВ КОРЗИНУ
4О-кольцо 30 резиновое213406-519 грнВ КОРЗИНУ
5Подшипник 10/30211066-7150 грнВ КОРЗИНУ
6Плоская шайба 10253769-7под заказВ КОРЗИНУ
7Стопорная ручка для LS0810163109-0под заказВ КОРЗИНУ
8Защита статора для LS0810343319-7под заказВ КОРЗИНУ
9FAN 68241838-6под заказВ КОРЗИНУ
10Pотор в сборе для LS0810512867-94396 грнВ КОРЗИНУ
11Изоляционная шайба для HR2010/681625-519 грнВ КОРЗИНУ
12Подшипник 608LLB211031-696 грнВ КОРЗИНУ
13Резиновая шпилька 4263014-25 грнВ КОРЗИНУ
14Cтатор 220В для модели LS0810528776-2под заказВ КОРЗИНУ
15NAME PLATE LS0810855942-1под заказВ КОРЗИНУ
16Cтатор 220В для модели LS0810634133-5под заказВ КОРЗИНУ
17Винт M5X60911285-226 грнВ КОРЗИНУ
18Кабель пластиковый 1.00-2-2.5666066-6376 грнВ КОРЗИНУ
19Усилитель кабеля 8-85 к 1806B/682502-454 грнВ КОРЗИНУ
20Держатель кабеля для BO4550/687031-2687001-1под заказВ КОРЗИНУ
21Винт M4X18 к 1911B911133-510 грнВ КОРЗИНУ
22Крышка рукоятки410650-7под заказВ КОРЗИНУ
23Защитный кожух выкл. к LS0810/421142-179 грнВ КОРЗИНУ
24Выключатель SGE210R-1 к LS0810651333-2под заказВ КОРЗИНУ
25Фильтр помех для 5012B/HR2400/645190-8645200-122 грнВ КОРЗИНУ
26Корпус двигателя для LS0810157693-5под заказВ КОРЗИНУ
27PAN HEAD SCREW M5X70911293-3под заказВ КОРЗИНУ
28Угольные щетки CB-100181030-1100 грнВ КОРЗИНУ
29Колпачок щеткодержателя 6-10643600-943 грнВ КОРЗИНУ
30Винт M4X25911148-25 грнВ КОРЗИНУ
31Сегментная шпонка 4254011-919 грнВ КОРЗИНУ
32Игольчатый подшипник 810212004-2142 грнВ КОРЗИНУ
33Косозубая шестерня 44 к LS0810221602-11315 грнВ КОРЗИНУ
34Кольцо 12 для LS0810/5621RD257010-021 грнВ КОРЗИНУ
35Корпус подшипника для LS0810315875-7под заказВ КОРЗИНУ
36Подшипник 6201LLB211106-1139 грнВ КОРЗИНУ
37Фиксатор подшипника 48 LS0810285659-6под заказВ КОРЗИНУ
38Винт (+) с потайной гол. M4X20251316-8под заказВ КОРЗИНУ
39Шпиндель для модели LS0810321904-6под заказВ КОРЗИНУ
40Внутренний фланец 45224233-5под заказВ КОРЗИНУ
41Наружный фланец 45224234-3под заказВ КОРЗИНУ
42Болт фланца шестигранный M6X17265226-312 грнВ КОРЗИНУ
43Шестигранная гайка M5 HR2430/931202-610 грнВ КОРЗИНУ
44Шайба Гровера 5 к 1100/3708F/942101-710 грнВ КОРЗИНУ
45BLADE CASE COMPLETE151272-1под заказВ КОРЗИНУ
46Защитный кожух к LS0810414323-4под заказВ КОРЗИНУ
47Болт фланца шестигранный M5X10265323-5под заказВ КОРЗИНУ
48Спиральная пружина 24 к LS0810231934-886 грнВ КОРЗИНУ
49Плоская шайба 6 LS0810/LS1030253977-055 грнВ КОРЗИНУ
50Болт с квадр.осн.шляпки M5X8923901-4под заказВ КОРЗИНУ
51Винт (+) M6251331-243 грнВ КОРЗИНУ
52Kольцо 8257157-0под заказВ КОРЗИНУ
53Плоская шайба 6253047-510 грнВ КОРЗИНУ
54Болт с внутр.шестигран. M5X8265832-410 грнВ КОРЗИНУ
55Резиновая втулка 5262513-1под заказВ КОРЗИНУ
56Винт (+) M6251331-243 грнВ КОРЗИНУ
57Плоская шайба 8253022-1под заказВ КОРЗИНУ
58Направляющая кожуха диска343466-4под заказВ КОРЗИНУ
59Защитный кожух к LS0810419479-8под заказВ КОРЗИНУ
60BLADE CASE COMPLETE154916-2под заказВ КОРЗИНУ
61Подшипник 12/32211144-3под заказВ КОРЗИНУ
62Подшипник 6201LLB211106-1139 грнВ КОРЗИНУ
63Выключатель SGEL106C-1 LS0810651245-9под заказВ КОРЗИНУ
64Крыльчатка 68 к LS0810/4101RH240007-6под заказВ КОРЗИНУ
94Плоская шайба 8 6824N/253139-019 грнВ КОРЗИНУ
95SUPPORT COMPLETE632121-6под заказВ КОРЗИНУ
96Держатель для 4014NV/LS0810/343657-7под заказВ КОРЗИНУ
97Держатель пружины к LS0810344631-8под заказВ КОРЗИНУ
98Опора статора для LS0810632675-3под заказВ КОРЗИНУ
400Барашковая гайка M6252628-2под заказВ КОРЗИНУ
401Держатель164806-1под заказВ КОРЗИНУ
402Ручка-регулятор 40 LS0810271271-8под заказВ КОРЗИНУ
404Пылесборник для LS0810/LS1030122351-2под заказВ КОРЗИНУ
405FASTENER410985-6под заказВ КОРЗИНУ
406Торцовый ключ 9 для креп.ножей782209-381 грнВ КОРЗИНУ
407Пильный диск 210 мм.792345-7под заказВ КОРЗИНУ
408Зажим в сборе для LS0810122344-9под заказВ КОРЗИНУ
409деталь192932-6под заказВ КОРЗИНУ
410Замок пылесборника для LS1030/410602-8под заказВ КОРЗИНУ
901Стопорное кольцо E-5 к LS1013/961018-510 грнВ КОРЗИНУ
905Винт M4X20 к 1002BA/1100/1901/911536-3911138-55 грнВ КОРЗИНУ
913Рычаг стопора164837-0под заказВ КОРЗИНУ
915Компрессионная пружина 6231223-113 грнВ КОРЗИНУ
916деталь322110-6под заказВ КОРЗИНУ
917Рукоятка в сборе152311-0под заказВ КОРЗИНУ
Фото LS0810
Нажмите, чтобы увеличить