Продукция Макита от официального дилера
Задать вопрос
ruua
С 8:30 до 17:00,
сб., вс. – выходной
 0
года гарантииБесплатная доставка от 3000 грн.Различные варианты оплаты

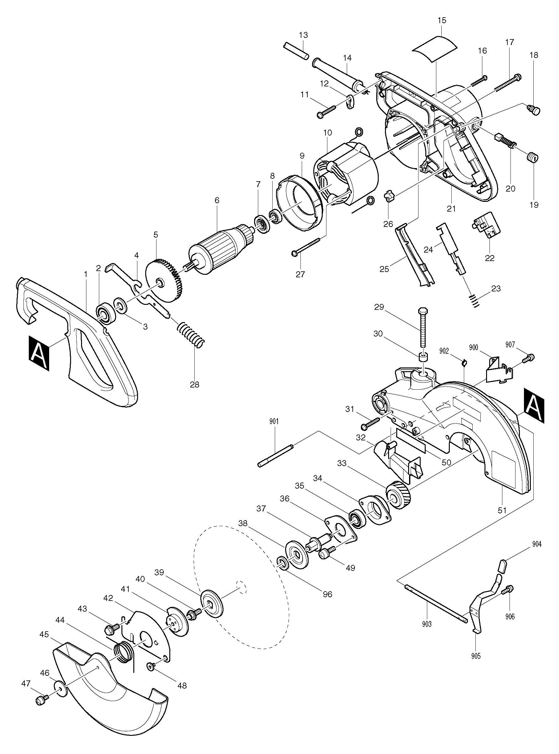
LS1040 Макита

Запчасти для модели LS1040
No.НазваниеКод деталиКод(старый)Цена
1Крышка рукоятки LS1040/LS1040F416004-6172 грнВ КОРЗИНУ
2Подшипник 15/35211228-7211206-7под заказВ КОРЗИНУ
3Плоская шайба 15 GA6021C253853-819 грнВ КОРЗИНУ
4Стопорная ручка для LS1030/343641-267 грнВ КОРЗИНУ
5Крыльчатка 80 для LS1040241909-986 грнВ КОРЗИНУ
6Pотор в сборе LS1040/LS1040F516718-83235 грнВ КОРЗИНУ
7Изоляционная шайба для LS1040/681640-926 грнВ КОРЗИНУ
8Подшипник 10/26211061-7150 грнВ КОРЗИНУ
9Защита статора LS1040/LS1040F416442-233 грнВ КОРЗИНУ
10Cтатор в сб. к LS1040/LS1040F526068-33015 грнВ КОРЗИНУ
11Самонарезающий винт 4X18265995-610 грнВ КОРЗИНУ
12Прижимная пластина к HR2450/687052-419 грнВ КОРЗИНУ
13Кабель резиновый 1.0-2-2.5665865-3544 грнВ КОРЗИНУ
14Усилитель кабеля 9.3-90 2030/682540-632 грнВ КОРЗИНУ
15Маркировочная табличка 9526PB851559-8под заказВ КОРЗИНУ
16Самонарезающий винт 4X18265995-610 грнВ КОРЗИНУ
17Винт M6X60 для LS1030/LS1040/911383-226 грнВ КОРЗИНУ
18Кнопочный выключатель к 2414B/411478-626 грнВ КОРЗИНУ
19Колпачок щеткодерж-ля 6.5-13.5643650-421 грнВ КОРЗИНУ
20Угольные щетки CB-153181044-0115 грнВ КОРЗИНУ
21Корпус мотора в сборе LS1040154561-3150786-723 грнВ КОРЗИНУ
22Выключатель TG70B для LS1013/651923-1639 грнВ КОРЗИНУ
23Компрессионная пружина 3231457-619 грнВ КОРЗИНУ
24Рычаг предохранителя к LS1013/416000-454 грнВ КОРЗИНУ
25Рычаг выключателя для LS1013/415999-067 грнВ КОРЗИНУ
26Кулачок для LS1013/LS1040/414546-421 грнВ КОРЗИНУ
27Самонарез. винт. фланец PT5X65266029-819 грнВ КОРЗИНУ
28Компрессионная пружина 9231297-219 грнВ КОРЗИНУ
29Болт с шестигранной гол. M8X75251667-943 грнВ КОРЗИНУ
30Резиновая втулка 6 для LS1040/262511-519 грнВ КОРЗИНУ
31Самонарезающий винт 4X18265995-610 грнВ КОРЗИНУ
32Направляющая крышка к LS1040/453695-2416007-0под заказВ КОРЗИНУ
33Косозубая шестерня 42226465-0377 грнВ КОРЗИНУ
34Корпус подшипника для LS1040/316821-3174 грнВ КОРЗИНУ
35Подшипник 17/40211290-2211256-2под заказВ КОРЗИНУ
36Фиксатор подшипника 64 LS1040285685-554 грнВ КОРЗИНУ
37Шпиндель для LS1040/LS1040F/322865-3243 грнВ КОРЗИНУ
38Фланец 53224333-1157 грнВ КОРЗИНУ
39Фланец 53224333-1157 грнВ КОРЗИНУ
40Болт фланца шестигранный M8X20265355-254 грнВ КОРЗИНУ
41Направ.втулка кожуха безопасн.343639-9142 грнВ КОРЗИНУ
42Основание кожуха безопасности346516-4344380-7под заказВ КОРЗИНУ
43Болт фланца шестигранный M8X12266283-4265324-316 грнВ КОРЗИНУ
44Торсионная пружина 36231593-819 грнВ КОРЗИНУ
45Защитный кожух LS1040/LS1040F416003-8554 грнВ КОРЗИНУ
46Плоская шайба 5 для LS1013/267136-021 грнВ КОРЗИНУ
47Винт M5X12 для LS1013/1805B/911213-710 грнВ КОРЗИНУ
48Болт с внутр.шестигран. M6265985-948 грнВ КОРЗИНУ
49Винт M5X16 для HR5001C/2030/911223-410 грнВ КОРЗИНУ
50Этикетка MAKITA819064-154 грнВ КОРЗИНУ
51Кожух диска для LS1040/LS1040S140655-0151490-1под заказВ КОРЗИНУ
52Винт с внутренним шестигранником M8X30921451-329 грнВ КОРЗИНУ
53Параллельная подпорка для LS1040318847-11707 грнВ КОРЗИНУ
54Винт с тайной головкой M6x25912342-913 грнВ КОРЗИНУ
55Шайба 6253715-046 грнВ КОРЗИНУ
56Упорная плита, новая модель154559-0229 грнВ КОРЗИНУ
57Вспомогательная параллельная подпора для LS1040344476-426 грнВ КОРЗИНУ
58Шестигранная гайка M6-10252014-719 грнВ КОРЗИНУ
59Винт с внутренним шестигранником M6x10251961-910 грнВ КОРЗИНУ
60Кільце 7257162-754 грнВ КОРЗИНУ
61Шайба 7253823-719 грнВ КОРЗИНУ
62Винт с внутренним шестигранником M6265984-154 грнВ КОРЗИНУ
63Шарнирная пластина для LS1040344377-6282 грнВ КОРЗИНУ
64Винт с внутренним шестигранником M6265984-154 грнВ КОРЗИНУ
65Шайба 7253823-719 грнВ КОРЗИНУ
66Кольцо 7257162-754 грнВ КОРЗИНУ
67Рычаг 100416006-267 грнВ КОРЗИНУ
68Винт M4x10911113-110 грнВ КОРЗИНУ
69Винт M10265437-0129 грнВ КОРЗИНУ
70Шайба 10253024-719 грнВ КОРЗИНУ
71Штифт 16256836-7130 грнВ КОРЗИНУ
72Кронштейн для LS1040141139-11483 грнВ КОРЗИНУ
73Стопорный штифт322317-467 грнВ КОРЗИНУ
74Кольцо 5213021-519 грнВ КОРЗИНУ
75Компрессионная пружина 28233152-4101 грнВ КОРЗИНУ
76Держатель пружины для LS1040344464-1103 грнВ КОРЗИНУ
77Штифт 8256280-854 грнВ КОРЗИНУ
79Винт M4x10911113-110 грнВ КОРЗИНУ
80Фиксатор для LS1040344385-721 грнВ КОРЗИНУ
81Подпорка для LS1040343799-754 грнВ КОРЗИНУ
82Винт с внутренним шестигранником M8x30921452-119 грнВ КОРЗИНУ
83Винт M5x12911213-710 грнВ КОРЗИНУ
84Боковая ручка для LS1040273495-2114 грнВ КОРЗИНУ
85Фиксирующая пружина для LS1040344381-593 грнВ КОРЗИНУ
86Опорная плита для LS1040154558-24540 грнВ КОРЗИНУ
87Поворотная основа для LS1040318800-73444 грнВ КОРЗИНУ
88Пластина скольжения для LS1040416001-251 грнВ КОРЗИНУ
89Пластина скольжения для LS1040416001-251 грнВ КОРЗИНУ
90Винт с внутренним шестигранником M8x30921452-119 грнВ КОРЗИНУ
91Шестигранная гайка M8931402-843 грнВ КОРЗИНУ
92Шестигранная гайка M8-13252105-423 грнВ КОРЗИНУ
93Шайба 8253762-135 грнВ КОРЗИНУ
94Шестигранная гайка M8931402-843 грнВ КОРЗИНУ
95Винт с внутренним шестигранником M8x30921452-119 грнВ КОРЗИНУ
96Кольцо 16257295-864 грнВ КОРЗИНУ
97Барашковый винт M6x10251887-554 грнВ КОРЗИНУ
98Винт M6X20911333-719 грнВ КОРЗИНУ
900Стопорная пластина для LS1040/344572-886 грнВ КОРЗИНУ
901Штифт стопора 8 для LS1040/326176-8323720-272 грнВ КОРЗИНУ
902Торсионная пружина 8231633-221 грнВ КОРЗИНУ
903Тяга рычага фиксатора 8 LS1040323721-0142 грнВ КОРЗИНУ
904Колпачок для LS1040421589-933 грнВ КОРЗИНУ
905Рычаг стопора к модели LS1040345803-8344573-6180 грнВ КОРЗИНУ
906Винт M4X10 для LS1013/1911B/911113-110 грнВ КОРЗИНУ
907Винт M4X10 для LS1013/1911B/911113-110 грнВ КОРЗИНУ
1001Кнопочный выключатель к 2414B/411478-626 грнВ КОРЗИНУ
1002Треугольник для установки ножа762001-3под заказВ КОРЗИНУ
1003Ключ гаечный торцовый 13 5016/782212-4под заказВ КОРЗИНУ
1004Пылесборник LS1013/1040(ткань)122852-0122523-9176 грнВ КОРЗИНУ
1005SUB PLATE ASSY193471-9под заказВ КОРЗИНУ
1005Держатель для LS1030/LS1040123101-8628 грнВ КОРЗИНУ
1006Зажим в сборе LS1030/LS1040/F122536-0847 грнВ КОРЗИНУ
1007SUB PLATE ASSY195934-1под заказВ КОРЗИНУ
1008Пылесборник для LS1016122852-0176 грнВ КОРЗИНУ
1009Кольцо 16 для LS1013/1030/1040257022-360 грнВ КОРЗИНУ
1010Держатель для LS1030/LS1040/123101-8322312-4628 грнВ КОРЗИНУ
5002Фильтр помех 1100/2708/LS1013/645185-1645105-5под заказВ КОРЗИНУ
5005Выключатель V-15-2A5 к LS1013/651941-9129 грнВ КОРЗИНУ
5018Диск 255x30/15.88x2.3x32T дер.B-08925A-809612750 грнВ КОРЗИНУ
5019Конденсатор к LS1040/LS1040F646073-575 грнВ КОРЗИНУ
5022Этикетка с эмблемой Макита M819064-154 грнВ КОРЗИНУ
5023Этикетка MAKITA для LS1013/819214-8под заказВ КОРЗИНУ
Перейти на товар
Фото LS1040
Нажмите, чтобы увеличить