Продукция Макита от официального дилера
Задать вопрос
ruua
С 8:30 до 17:00,
сб., вс. – выходной
 0
года гарантииБесплатная доставка от 3000 грн.Различные варианты оплаты

SR1600 Макита

Запчасти для модели SR1600
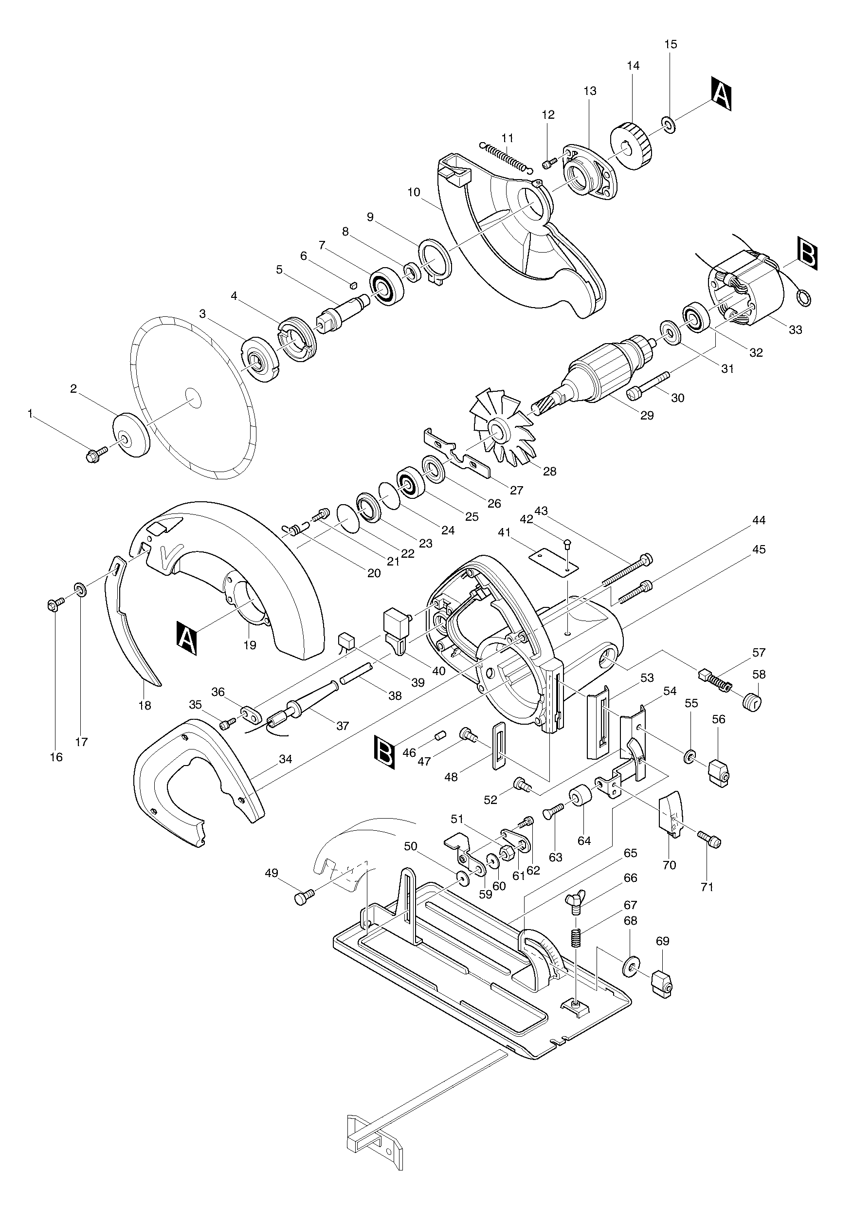
No.НазваниеКод деталиКод(старый)Цена
1Болт фланца шестигранный M6X17251609-319 грнВ КОРЗИНУ
2Наружный фланец 45 SR1800224011-3под заказВ КОРЗИНУ
3Внутренний фланец 45 SR1800/224224-6под заказВ КОРЗИНУ
4Фиксатор подшипника 19-33285802-773 грнВ КОРЗИНУ
5Шпиндель к SR1600325239-7под заказВ КОРЗИНУ
6Сегментная шпонка 4254011-919 грнВ КОРЗИНУ
7Подшипник 6201LLB211106-1139 грнВ КОРЗИНУ
8Кольцо 12 для LS0810/5621RD257010-021 грнВ КОРЗИНУ
9Стопорное кольцо S-38 к 5801B/961155-533 грнВ КОРЗИНУ
10Защитный кожух для SR1600164885-9под заказВ КОРЗИНУ
11Натяжная пружина 4231730-4под заказВ КОРЗИНУ
12Винт M4X16 5016/5500S/5900BR/911126-210 грнВ КОРЗИНУ
13Корпус подшипника SR1600/1800315313-9под заказВ КОРЗИНУ
14Косозубая шестерня 50221697-4под заказВ КОРЗИНУ
15Стопорное кольцо E-10 к 9035/961016-910 грнВ КОРЗИНУ
16Болт с шестигранной гол. M6X16265251-410 грнВ КОРЗИНУ
17Плоская шайба 6 для HR3000C/941151-910 грнВ КОРЗИНУ
18Расклинивающий нож SR1600341779-7под заказВ КОРЗИНУ
19Кожух диска для SR1600154405-7под заказВ КОРЗИНУ
20Торсионная пружина 6231549-1под заказВ КОРЗИНУ
21PAN HEAD SCREW M4X12911119-910 грнВ КОРЗИНУ
22О-кольцо 22.4 резиновое213008-719 грнВ КОРЗИНУ
23Шайба 19343295-5под заказВ КОРЗИНУ
24О-кольцо 26 резиновое213407-319 грнВ КОРЗИНУ
25Подшипник 629LLB211056-0под заказВ КОРЗИНУ
26Плоская шайба 9253768-9под заказВ КОРЗИНУ
27Стопор шпинделя к SR1600341778-9под заказВ КОРЗИНУ
28FAN 86241102-5под заказВ КОРЗИНУ
29Pотор в сборе к модели SR1600512753-4под заказВ КОРЗИНУ
30PAN HEAD SCREW M5X55911280-262 грнВ КОРЗИНУ
31Изоляционная шайба для HR2010/681625-519 грнВ КОРЗИНУ
32Подшипник 608LLB211031-696 грнВ КОРЗИНУ
33Cтатор в сборе 220В для SR1600522548-7под заказВ КОРЗИНУ
34Крышка рукоятки411912-6под заказВ КОРЗИНУ
35Винт M4X18 к 1911B911133-510 грнВ КОРЗИНУ
36Держатель кабеля для HR5000K/687031-213 грнВ КОРЗИНУ
37POWER SUPPLY CORD 1.00-2-2.5665016-8под заказВ КОРЗИНУ
38Усилитель кабеля 10-85 к 1125/682504-026 грнВ КОРЗИНУ
39Фильтр помех645208-5под заказВ КОРЗИНУ
40Выключатель C2M-M1T651236-0под заказВ КОРЗИНУ
41NAME PLATE SR1600854440-2под заказВ КОРЗИНУ
42Заклёпка 0-3 к PC1100/SR1800/953101-219 грнВ КОРЗИНУ
43Винт M5X45 к KP312S/4302C/911268-219 грнВ КОРЗИНУ
44Винт M4x28 к KP312S/1100/1125/911153-910 грнВ КОРЗИНУ
45MOTOR HOUSING156821-9под заказВ КОРЗИНУ
46Резиновая шпилька 4263014-25 грнВ КОРЗИНУ
47Болт с квадр.подголовком M6X20251919-819 грнВ КОРЗИНУ
48Пластина343809-0под заказВ КОРЗИНУ
49Болт с квадр.подголовком M6X20251919-819 грнВ КОРЗИНУ
50Плоская шайба 6253804-119 грнВ КОРЗИНУ
51Шестигранная гайка M6 HR2400/931302-210 грнВ КОРЗИНУ
52Болт с квадр.подголовком M6X20251919-819 грнВ КОРЗИНУ
53деталь343859-5под заказВ КОРЗИНУ
54деталь164583-5под заказВ КОРЗИНУ
55Kольцо 6257078-6под заказВ КОРЗИНУ
56Барашковая гайка M6 5705R/252624-067 грнВ КОРЗИНУ
57Угольные щетки CB-100181030-1100 грнВ КОРЗИНУ
58Колпачок щеткодержателя 6-10643600-943 грнВ КОРЗИНУ
59деталь341717-9под заказВ КОРЗИНУ
60Плоская шайба 6253804-119 грнВ КОРЗИНУ
61Стопорная пластина341718-7под заказВ КОРЗИНУ
62Винт M4X6 к 102BA/LS1440/1100/911101-85 грнВ КОРЗИНУ
63Винт+ с потайной головкойM6X22251227-7под заказВ КОРЗИНУ
64Резиновая втулка 6262502-6под заказВ КОРЗИНУ
65Основание для SR1600168090-0под заказВ КОРЗИНУ
66Болт-барашек M6X15924316-8под заказВ КОРЗИНУ
67Компрессионная пружина 7231316-419 грнВ КОРЗИНУ
68Плоская шайба 6253819-8под заказВ КОРЗИНУ
69Барашковая гайка M6 5705R/252624-067 грнВ КОРЗИНУ
70деталь341777-1под заказВ КОРЗИНУ
71Винт M4X8 к 1911B/4301BV/500/911106-810 грнВ КОРЗИНУ
72Выключатель SGE215C-3 к 5012В/650210-5322 грнВ КОРЗИНУ
73Подшипник 629210042-8108 грнВ КОРЗИНУ
400T.C.T. SAW BLADE 165792313-0под заказВ КОРЗИНУ
401Паралл. упор для 5604/4105КВ164095-8162 грнВ КОРЗИНУ
402Торцовый ключ 9 для креп.ножей782209-381 грнВ КОРЗИНУ
Фото SR1600
Нажмите, чтобы увеличить